Technische Daten

  • Baugröße: | 1650 |
  • Flanschgehäuse
  • Hohlwellengetriebe
  • Übersetzung 89
  • Lost Motion ≤ 1arcmin
  • Max. Beschleunigungsmoment 3200 Nm

Leistungdaten

Leistungsdaten

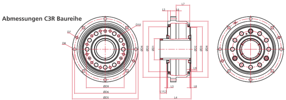
Abmessungen

Abmessungen

Downloads