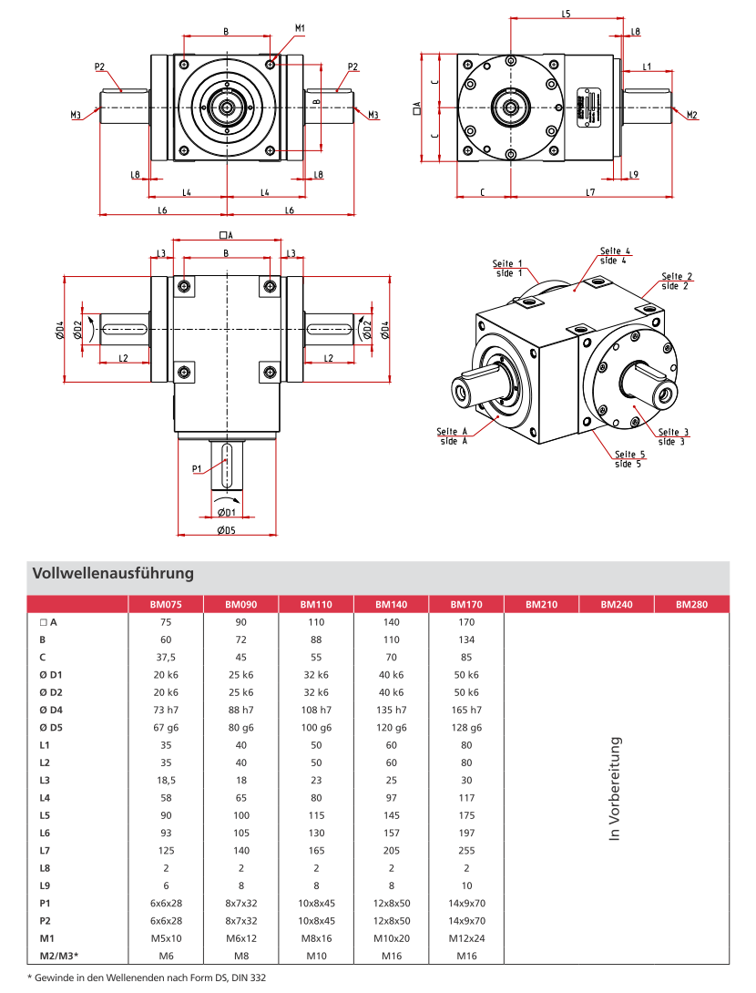
Technical specifications
- Size: | 075 | 090 | 110 | 140 | 170 |(corresponds to edge length of the gear unit)
- Monolithic steel or cast-iron housing with identical threaded holes on all sides
- Gear ratio range: 1
- Max. torsional backlash (standard) ≤ 13 to ≤ 10 arcmin
- Max. torsional backlash (reduced) ≤ 8 to ≤ 6 arcmin
- Max. acceleration torque from 120 Nm to 1575 Nm
- Output:
- single or double output shaft with feather key
- hollow shaft with keyway - Input:
- Input shaft with feather key
- Note: The gearbox has reinforced output bearings compared to the BM series




